Estilos de baño
Elegance
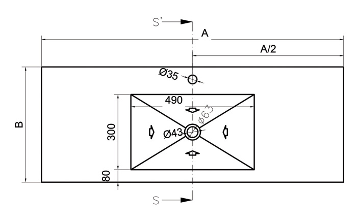
Basic
Basic
Basic
Slope
Pendiente
Section S - S'
Section S - S'

Silestone lavaboi odgovaraju svačijem stanu

DIMENZIJE:

Dužina: od 90 do 170 cm.
Širina: od 46 do 70 cm.

BOJE:

Sve boje koje su na paleti boja za kupatila

TEKSTURA:

Polirana i kožna.

PAKET OBUHVATA:

  • lavabo
  • ocedni ventil
  • metalna konstrukcija
  • alat za čišćenje
  • upustvo za instalaciju

TEHNIČKE NAPOMENE:

  1. 1- Za modele veće od 143 cm može se ugraditi i drugi slivnik
  2. 2- Za modele manje od 50 cm morate imati u vidu da će slavina biti postavljena u zidu
  3. 3- Merenja se mogu menjati na zahtev, tada se primenjuju specijalne cene
ExclusiveExclusiveExclusiveExclusive
Basic
Basic
Basic
Pendiente
Slope
Sección S - S'
Section S - S'

Lavabo by Silestone

Ovi proizvodi od Silestone mogu se instalirati na 4 načina:

  • Nadogradnja - slobodno nošenje
  • Nadogradnja sa integrisanom pločom
  • Podgradna montaža na ploči od 2 cm
  • Podgradna montaža na ploči od 12 cm

DIMENZIJE

Dužina: od 90 do 170 cm.
Širina: od 46 do 70 cm.

BOJE:

Sve boje iz kupatilske kolekcije

TEKSTURA

Polished.

PAKET OBUHVATA:

  • lavabo
  • ocedni ventil
  • metalna konstrukcija
  • alat za čišćenje
  • upustvo za instalaciju

TEHNIČKE KARAKTERISTIKE:

  1. 1- Četiri dupla sliva modela, za merenja:
    a- EXCLUSIVE PLUS 2 cm: 140 cm.
    b- EXCLUSIVE PLUS 12 cm: 160 cm.
    c- EXCLUSIVE+TOP: 140 cm.
  2. 2- Za modele manje od 50 sm, morate uzeti u obzir da će bušenje rupe biti na jednoj strani.
Armony
Basic
Basic
Basic
Basic
Pendiente
Slope
Sección S - S'
Section S - S'

Silestone lavabo

DIMENZIJE

Dužina: od 90 do 170 cm.
Širina: od 46 do 70 cm

BOJE:

Sve boje iz Silestone kupatilske kolekcije

TEKSTURE:

Polished and Leather.

PAKET OBUHVATA:

  • lavabo
  • ocedni ventil
  • metalna konstrukcija
  • alat za čišćenje
  • upustvo za instalaciju

TEHNIČKE NAPOMENE:

  1. 1- Za modele veće od 143 cm može se ugraditi i drugi slivnik
  2. 2- Za modele manje od 50 cm morate imati u vidu da će slavina biti postavljena u zidu
  3. 3- Merenja se mogu menjati na zahtev, tada se primenjuju specijalne cene
Balance
Basic
Basic
Basic
Basic
Basic
Pendiente
Slope
Sección S - S'
Section S - S'

Silestone lavabo

DIMENZIJE

Dužina: od 120 do 170 cm.
Širina: od 46 do 70 cm.

BOJE:

Sve boje iz Silestone kupatilske kolekcije

TEKSTURE:

Polished and Leather.

PAKET OBUHVATA:

  • lavabo
  • ocedni ventil
  • metalna konstrukcija
  • alat za čišćenje
  • upustvo za instalaciju

TEHNIČKE NAPOMENE:

  1. 1- Za modele veće od 143 cm može se ugraditi i drugi slivnik
  2. 2- Za modele manje od 50 cm morate imati u vidu da će slavina biti postavljena u zidu
  3. 3- Merenja se mogu menjati na zahtev, tada se primenjuju specijalne cene
Equilibrium
Basic
Basic
Basic

Silestone - lavabo za budućnost

DIMENZIJE

Dužina: od 120 do 170 cm.
Širina: od 46 do 70 cm.

BOJE:

Sve boje koje pripadaju Silestone kupatilske kolekcije

TEKSTURA

Polished and Leather.

PAKET OBUHVATA:

  • lavabo
  • ocedni ventil
  • metalna konstrukcija
  • alat za čišćenje
  • upustvo za instalaciju

TEHNIČKE NAPOMENE:

1- Za modele koji su duži od 143 cm može se ugraditi drugi slivnik

2- Za modele koji su manji od 50 cm uzmite u ubzir da će slavina biti postavljena na zidu.

3- Dizajn "noga" se može postaviti na bilo koju stranu (nikad na sredinu)

Simplicity
Basic
Basic
Basic
Pendiente
Slope
Sección S - S'
Section S - S'

Silestone - lavabo

DIMENZIJE

Dužina: od 120 do 170 cm.
Širina: od 46 do 70 cm.

BOJE:

Sve boje koje pripadaju Silestone kupatilske kolekcije

TEKSTURA

Polished and Leather.

PAKET OBUHVATA:

  • lavabo
  • ocedni ventil
  • metalna konstrukcija
  • alat za čišćenje
  • upustvo za instalaciju

TEHNIČKE NAPOMENE:

  1. 1- Za modele koji su duži od 143 cm može se ugraditi drugi slivnik
  2. 2- Za modele koji su manji od 50 cm uzmite u ubzir da će slavina biti postavljena na zidu.
Simmetry
Basic
Basic
Basic
Pendiente
Slope
Sección S - S'
Section S - S'

Lavabo - Silestone

DIMENZIJE

- 43 x 38 x 10 cm.
- 50 x 40 x 10 cm.
- 70 x 45 x 10 cm.

Nadgradni Silestone lavaboi

DIMENZIJE

Dužina: od 120 do 170 cm.
Širina: od 46 do 70 cm.

BOJE:

Sve boje koje pripadaju Silestone kupatilske kolekcije

TEKSTURA

Polished and Leather.

PAKET OBUHVATA:

  • lavabo
  • ocedni ventil
  • metalna konstrukcija
  • alat za čišćenje
  • upustvo za instalaciju

TEHNIČKE NAPOMENE:

Merenja s emogu menjati na zahtev, u tom slučaju se primenjuju specijalne cene.

Basic
Basic
Basic
Basic
Pendiente
Slope
Sección S - S'
Section S - S'

Lavabo - Silestone

DIMENZIJE

  • 45 x 28 x 7 cm.
  • 45 x 30 x 7 cm.
  • 66 x 38 x 8 cm.

Nadgradni Silestone lavaboi

DIMENZIJE

Dužina: od 120 to 170 cm.
Width: od 46 to 70 cm.

BOJE:

Sve boje koje pripadaju Silestone kupatilske kolekcije

TEKSTURA

Polished and Leather.

PAKET OBUHVATA:

  • lavabo
  • ocedni ventil
  • metalna konstrukcija
  • alat za čišćenje
  • upustvo za instalaciju

TEHNIČKE NAPOMENE:

Merenja s emogu menjati na zahtev, u tom slučaju se primenjuju specijalne cene.



Kontakt:

Tel: +381 33 743-860
Fax: +381 33 743-861

www.emiliostecher.rs
www.silestone.rs
www.silestone.com

Kontaktirajte nas



COSENTINO S.A. All rights reserved 2012

Logo Eco SilestoneLogo Sensa Silestone

Sitemap  |  Privacy  |   Other Cosentino products: